



Компрессор винтовой CSH6551-35
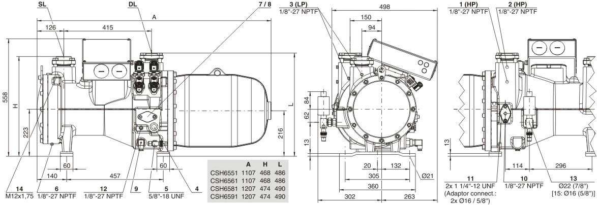
Технические данные: Рабочий объём (2900 об/мин, 50 Гц): 137 м³/ч; Рабочий объём (3500 об/мин, 60 Гц): 165 м³/ч; Вес: 314 кг; Макс. давление (LP/HP): 19 / 28 бар; Соединительный всасывающий трубопровод: 54 мм — 2 1/8 дюйма; Соединительная разгрузочная линия: 42 мм — 1 5/8 дюйма; Тип масла: R134a/R407C/R404A/R507A/R407A/R407FBSE170: (стандартный); Данные двигателя: Версия двигателя: 2; Напряжение двигателя (подробнее по запросу): 380–415 В, ПВ-3, 50 Гц; Максимальный рабочий ток: 58,0 А; Коэффициент намотки: 50/50; Пусковой ток (ротор заблокирован): 153,0 A D / 305,0 A DD; Максимальная потребляемая мощность: 41,0 кВт; Класс корпуса: IP54; Масляный нагреватель: 200 Вт (стандарт); Маслоотделитель: Стандартный; Масляный фильтр: Стандартный; Датчик температуры нагнетаемого газа: Стандартный; Контроль мощности — 4 этапа: 100-75-50-25 % (стандарт); Контроль производительности – бесконечный: 100–25 % (стандарт); Встроенный обратный клапан: Стандартный; Защита двигателя: SE-E1 (стандартный), INT69VSY-II (стандартный для 660–690 В); Заправка маслом: 9,5 дм³; Доступные опции: Переключатель уровня масла: Вариант; Запорный клапан: Вариант; Всасывающий запорный клапан: Вариант; Запорный клапан для ECO с глушителем: Вариант; Впрыск жидкости со встроенной форсункой: Вариант; Виброгасители: Вариант.
