



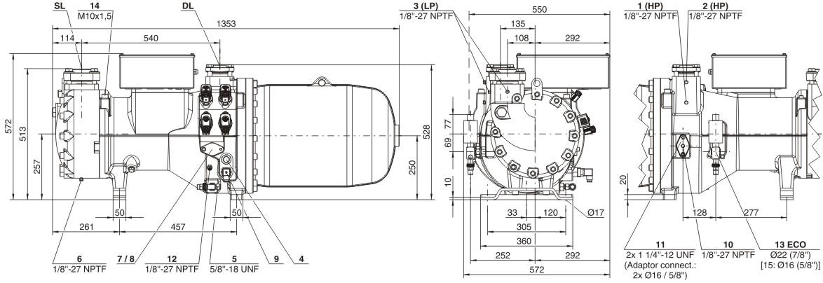
Компрессор винтовой CSH7581-90
Технические данные: Рабочий объём (2900 об/мин, 50 Гц): 295 м³/ч; Рабочий объём (3500 об/мин, 60 Гц): 356 м³/ч; Вес: 525 кг; Макс. давление (LP/HP): 19 / 28 бар; Соединительный всасывающий трубопровод: 76 мм — 3 1/8 дюйма; Соединительная разгрузочная линия: 54 мм — 2 1/8 дюйма; Тип масла: R134a/R407C/R404A/R507A/R407A/R407F: BSE170 (стандартный); Данные двигателя: Версия двигателя: 1; Напряжение двигателя (подробнее по запросу): 380–415 В, ПВ-3, 50 Гц; Максимальный рабочий ток: 162,0 А; Коэффициент намотки: 50/50; Пусковой ток (ротор заблокирован): 423,0 A D / 686,0 A DD; Максимальная потребляемая мощность: 102,0 кВт; Класс корпуса: IP54; Масляный нагреватель: 200 Вт (стандарт); Маслоотделитель: Стандартный; Масляный фильтр: Стандартный; Датчик температуры нагнетаемого газа: Стандартный; Контроль мощности — 4 этапа: 100-75-50-25 % (стандарт); Контроль производительности - бесконечный: 100–25 % (стандарт); Встроенный обратный клапан: Стандартный; Защита двигателя: SE-E1 (стандартный), INT69VSY-II (стандартный для 660–690 В); Заправка маслом: 15,0 дм³.
