



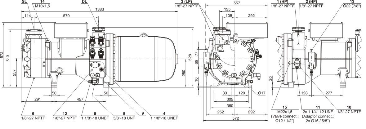
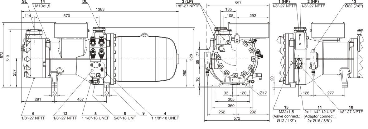
Компрессор винтовой CSH7593-100
Технические данные: Рабочий объём (2900 об/мин, 50 Гц): 336 м³/ч; Рабочий объём (3500 об/мин, 60 Гц): 406 м³/ч; Вес: 550 кг.; Макс. давление (LP/HP): 19 / 28 бар; Тип масла R1234yf/R1234ze(E)/R450A/R513A: BSE170 (опция); Тип масла: R134a/R407C/R404A/R507A/R407A/R407F: BSE170 (опция). Данные двигателя: Напряжение на двигателе (подробнее по запросу): 380–415 В, ПВ-3, 50 Гц; Максимальный рабочий ток: 170,0 А; Коэф. намотки: 50/50; Пусковой ток (при заблокированном роторе): 479,0 A D / 790,0 A DD; Максимальная потребляемая мощность: 103,0 кВт; Масляный нагреватель: 200 Вт (стандарт); Маслоотделитель: Стандартный; Масляный фильтр: Стандартный; Контроль мощности — 4 этапа: 100-75-50-25 % (стандарт); Встроенный обратный клапан: Стандартный; Защита двигателя: SE-E1 (стандартный), SE-E3 (стандартный для 660–690 В); Запорный клапан: Вариант; Всасывающий запорный клапан: Вариант; Защита двигателя: SE-i1 (200–690 В).
