



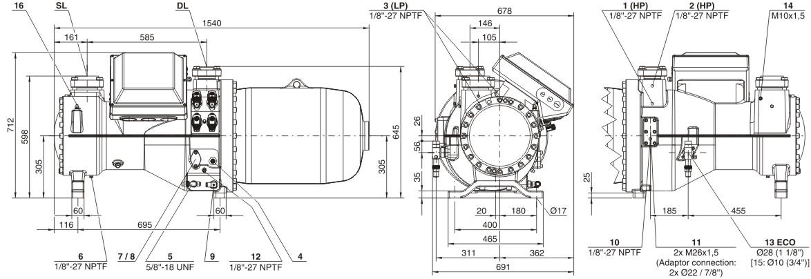
Компрессор винтовой CSH8551-80
Технические данные: Рабочий объём (2900 об/мин, 50 Гц): 315 м³/ч; Рабочий объём (3500 об/мин, 60 Гц): 380 м³/ч; Вес: 830 кг; Макс. давление (LP/HP): 19 / 28 бар; Тип масла: R134a/R407C/R404A/R507A/R407A/R407F: BSE170 (стандартный). Данные двигателя: Версия двигателя: 2; Напряжение двигателя (подробнее по запросу): 380–415 В, ПВ-3, 50 Гц; Максимальный рабочий ток: 144,0 А; Коэф. намотки: 50/50; Пусковой ток (при заблокированном роторе): 394,0 A D / 606,0 A DD; Максимальная потребляемая мощность: 88,0 кВт; Масляный нагреватель: 300 Вт (стандарт); Маслоотделитель: Стандартный; Масляный фильтр: Стандартный; Датчик температуры нагнетаемого газа: Стандартный; Контроль мощности — 4 этапа: 100-75-50-25 % (стандарт); Встроенный обратный клапан: Стандартный; Защита двигателя: SE-E1 (стандартный), INT69VSY-II (стандартный для 660–690 В); Запорный клапан: Вариант; Всасывающий запорный клапан: Вариант.
