



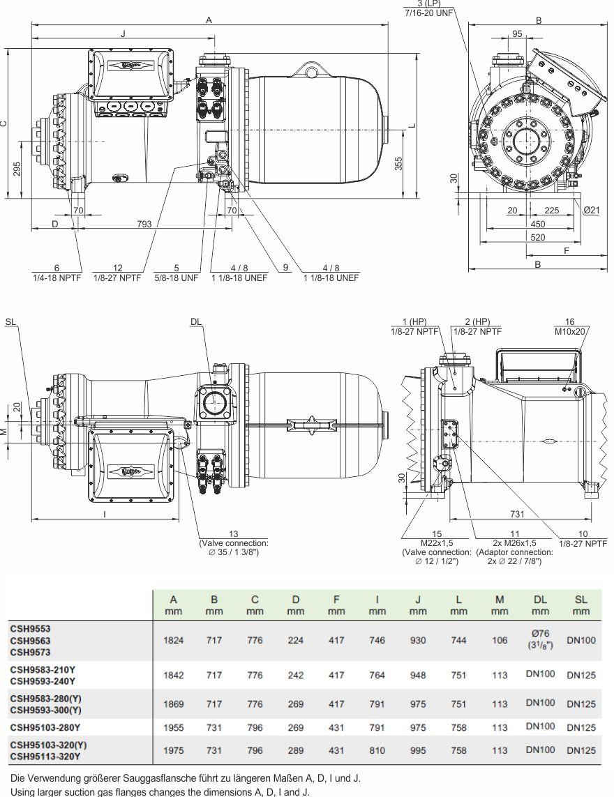
Компрессор винтовой CSH9573-180
Технические данные: Рабочий объём (2900 об/мин, 50 Гц): 700 м³/ч; Рабочий объём (3500 об/мин, 60 Гц): 845 м³/ч; Вес: 1290 кг.; Макс. давление (LP/HP): 19 / 28 бар; Тип масла R1234yf/R1234ze(E)/R450A/R513A/R515B: BSE170 (стандартный); Тип масла: R134a/R407C/R404A/R507A/R407A/R407F: BSE170 (стандартный). Данные двигателя: Версия двигателя: 2; Напряжение на двигателе (подробнее по запросу): 380–415 В, D-3, 50 Гц; Максимальный рабочий ток: 310,0 А; Пусковой ток (при заблокированном роторе): 465,0 A Y / 1442,0 A D; Максимальная потребляемая мощность: 175,0 кВт; Масляный нагреватель: 300 Вт (стандарт); Маслоотделитель: Стандартный; Масляный фильтр: Стандартный; Контроль мощности — 4 этапа: 100-75-50-25 % (стандарт); Встроенный обратный клапан: Стандартный; Защита двигателя: SE-E1 (стандартный), SE-E3 (стандартный для 660–690 В); Запорный клапан: Вариант; Всасывающий запорный клапан: Вариант; Защита двигателя: SE-i1 (200–690 В).
