



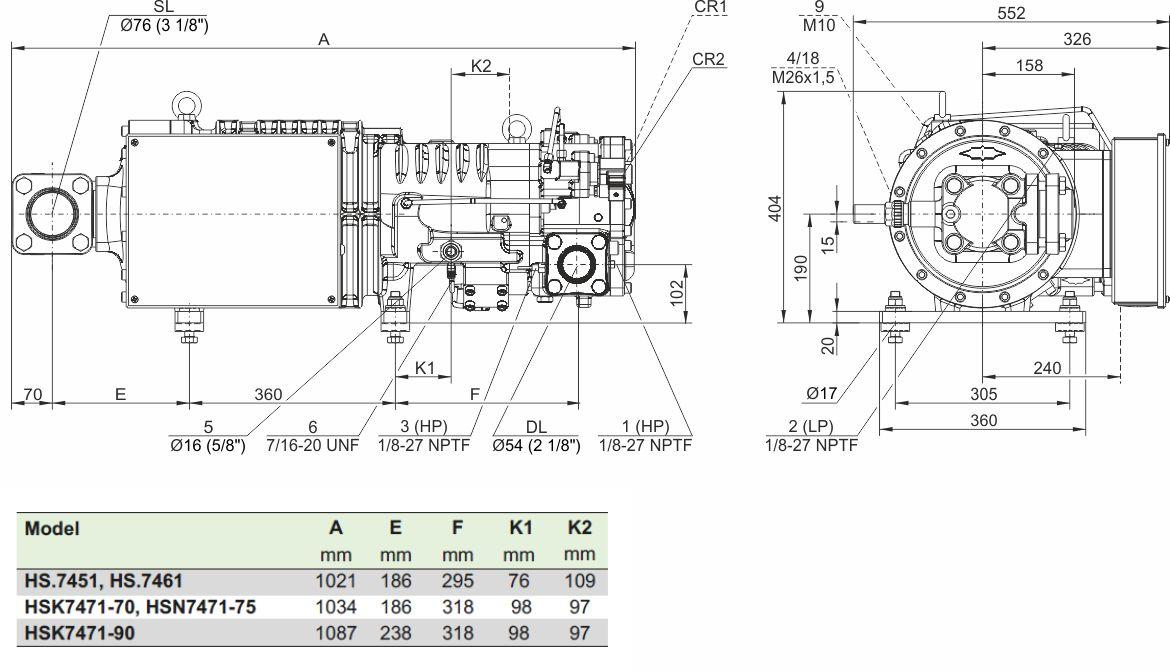
Компрессор винтовой HSK7451-60
Технические данные: Рабочий объём (2900 об/мин, 50 Гц): 192 м³/ч; Рабочий объём (3500 об/мин, 60 Гц): 232 м³/ч; Вес: 297 кг.; Максимальное давление (LP/HP): 19 / 28 бар; Соединительный всасывающий трубопровод: 76 мм — 3 1/8 дюйма; Соединительная разгрузочная линия: 54 мм — 2 1/8 дюйма; Адаптер/запорный клапан для ECO: 22 мм — 7/8 дюйма (опция); Тип масла R22: B150SH, B100 (опция); Тип масла: R134a/R404A/R507A/R407A/R407F: BSE170; Тип масла R448A/R449A/R454C: BSE170. Данные двигателя: Версия двигателя: 1; Напряжение двигателя (подробнее по запросу): 380–415 В, ПВ-3, 50 Гц; Максимальный рабочий ток: 98,0 А; Пусковой ток (при заблокированном роторе): 267,0 A D / 449,0 A DD; Максимальная потребляемая мощность: 65,0 кВт; Датчик температуры нагнетаемого газа: Стандартный; Регулирование расхода масла: SE-B3 (стандартный); Защита двигателя: SE-E1 (стандартный), SE-E3 (стандартный для 660–690 В); Всасывающий запорный клапан: Стандартный; Контроль производительности: 100-75-50 % (стандарт); Класс корпуса: IP54. Доступные опции: Запорный клапан: Вариант; Защита двигателя: SE-i1 (200–690 В). Измерение звука: Уровень звуковой мощности (-35 °C / 40 °C): 86,5 дБ(А); Уровень звукового давления на расстоянии 1 м (-35 °C / 40 °C): 78,5 дБ(А).
