



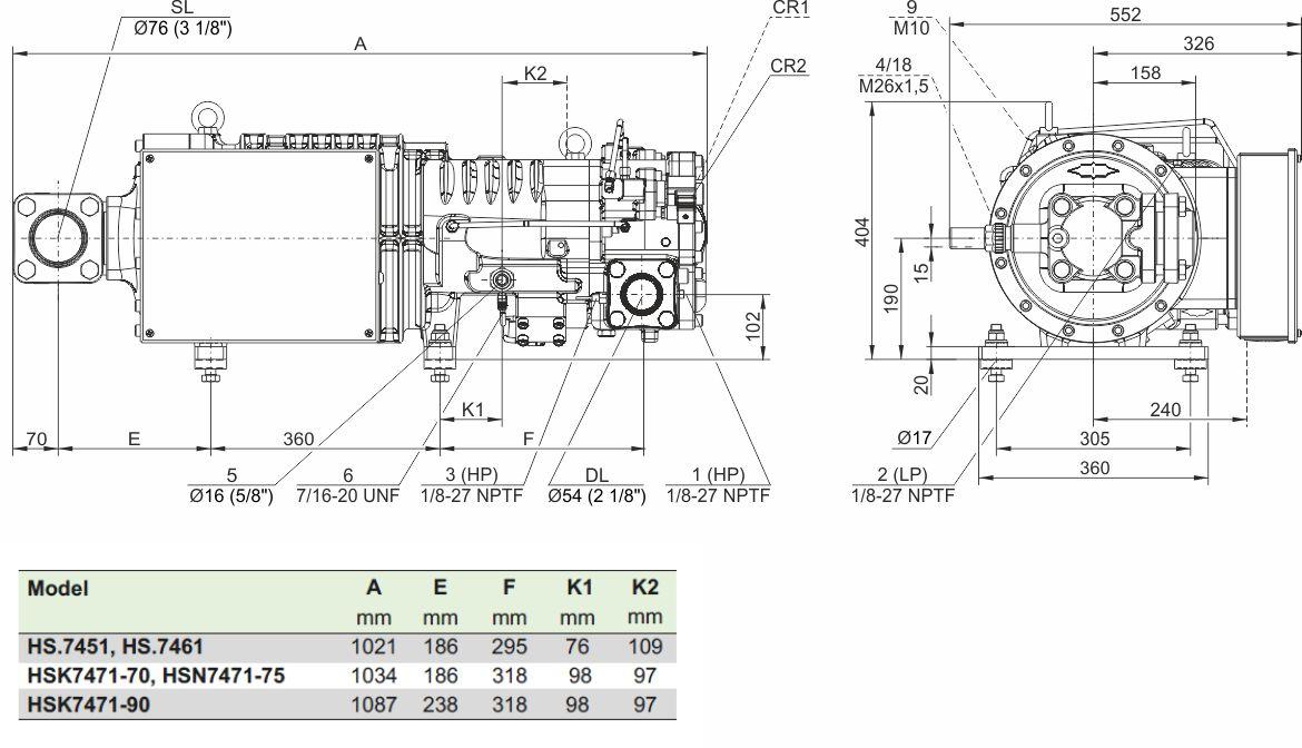
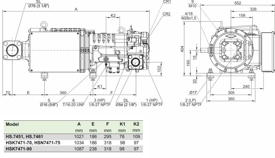
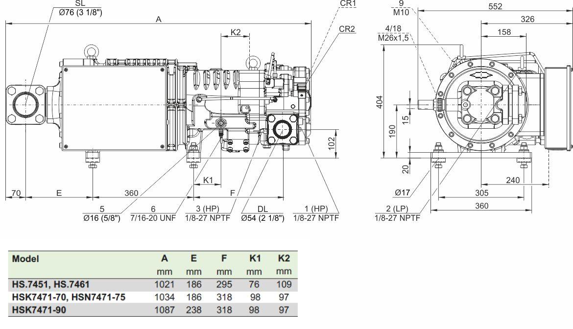
Компрессор винтовой HSK7451-70
Технические данные: Рабочий объём (2900 об/мин, 50 Гц): 192 м³/ч; Рабочий объём (3500 об/мин, 60 Гц): 232 м³/ч; Вес: 305 кг; Максимальное давление (LP/HP): 19 / 28 бар; Адаптер/запорный клапан: 22 мм — 7/8 дюйма (опция); Тип масла R22: B150SH, B100 (опция); Тип масла: R134a/R404A/R507A/R407A/R407F: BSE170; Тип масла R448A/R449A/R454C: BSE170. Данные двигателя: Версия двигателя: 1; Напряжение двигателя (подробнее по запросу): 380–415 В, ПВ-3, 50 Гц; Максимальный рабочий ток: 124,0 А; Пусковой ток (при заблокированном роторе): 290,0 A D / 485,0 A DD; Максимальная потребляемая мощность: 75,0 кВт; Датчик температуры нагнетаемого газа: Стандартный; Регулирование расхода масла: SE-B3 (стандартный); Защита двигателя: SE-E1 (стандартный), SE-E3 (стандартный для 660–690 В); Всасывающий запорный клапан: Стандартный; Контроль производительности: 100-75-50 % (стандарт); Запорный клапан: Вариант; Защита двигателя: SE-i1 (200–690 В); Уровень звуковой мощности (-10 °C / 45 °C): 86,0 дБ(А); Уровень звукового давления на расстоянии 1 м (-10 °C / 45 °C): 78,0 дБ(А).
