



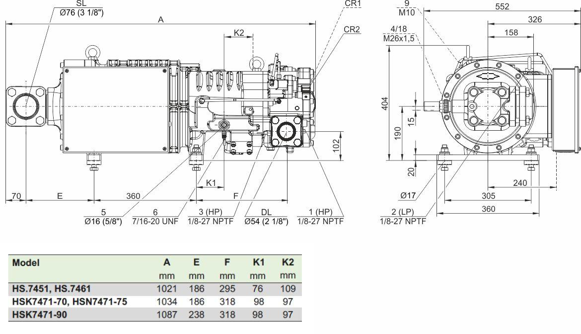
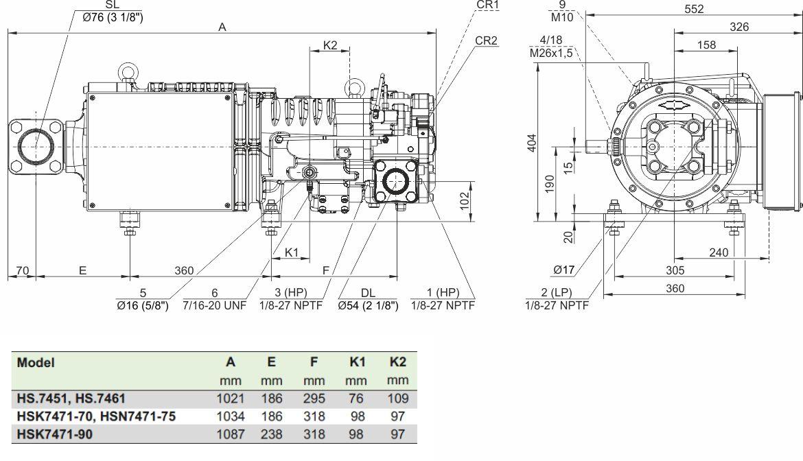
Компрессор винтовой HSK7471-90
Технические данные: Рабочий объём (2900 об/мин, 50 Гц): 250 м³/ч; Рабочий объём (3500 об/мин, 60 Гц): 302 м³/ч; Вес: 336 кг; Максимальное давление (LP/HP): 19 / 28 бар; Соединительный всасывающий трубопровод: 76 мм — 3 1/8 дюйма; Тип масла R22: B150SH, B100 (опция); Тип масла: R134a/R404A/R507A/R407A/R407F: BSE170; Тип масла R448A/R449A/R454C: BSE170. Данные двигателя: Версия двигателя: 1; Напряжение двигателя (подробнее по запросу): 380–415 В, ПВ-3, 50 Гц; Максимальная потребляемая мощность: 92,0 кВт; Датчик температуры нагнетаемого газа: Стандартный; Регулирование расхода масла: SE-B3 (стандартный); Защита двигателя: SE-E1 (стандартный), SE-E3 (стандартный для 660–690 В); Всасывающий запорный клапан: Стандартный; Контроль производительности: 100-75-50 % (стандарт); Запорный клапан: Вариант; Защита двигателя: SE-i1 (200–690 В); Уровень звуковой мощности (-10 °C / 45 °C): 87,0 дБ(А); Уровень звукового давления на расстоянии 1 м (-10 °C / 45 °C): 79,0 дБ(А).
