



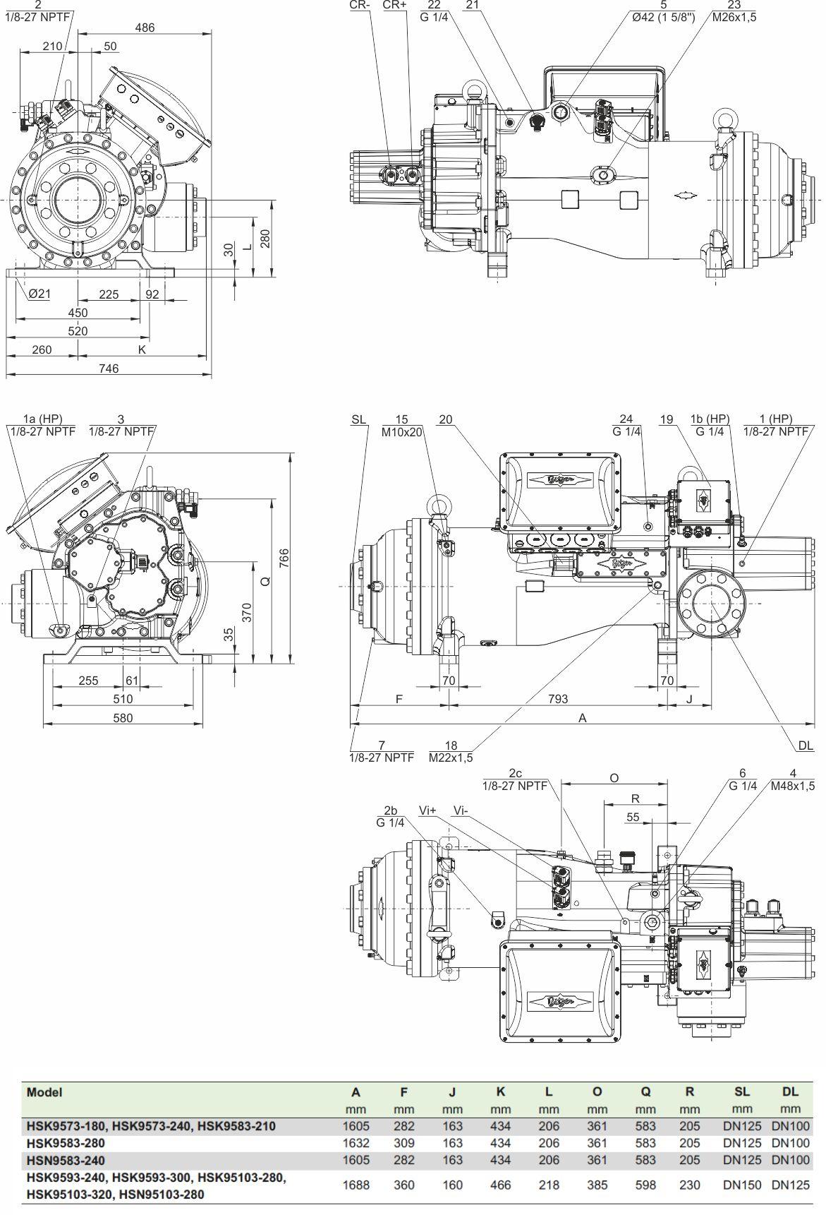
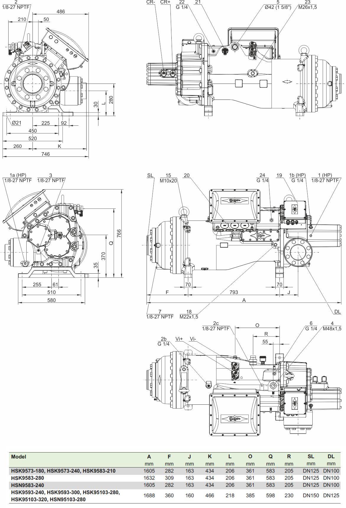
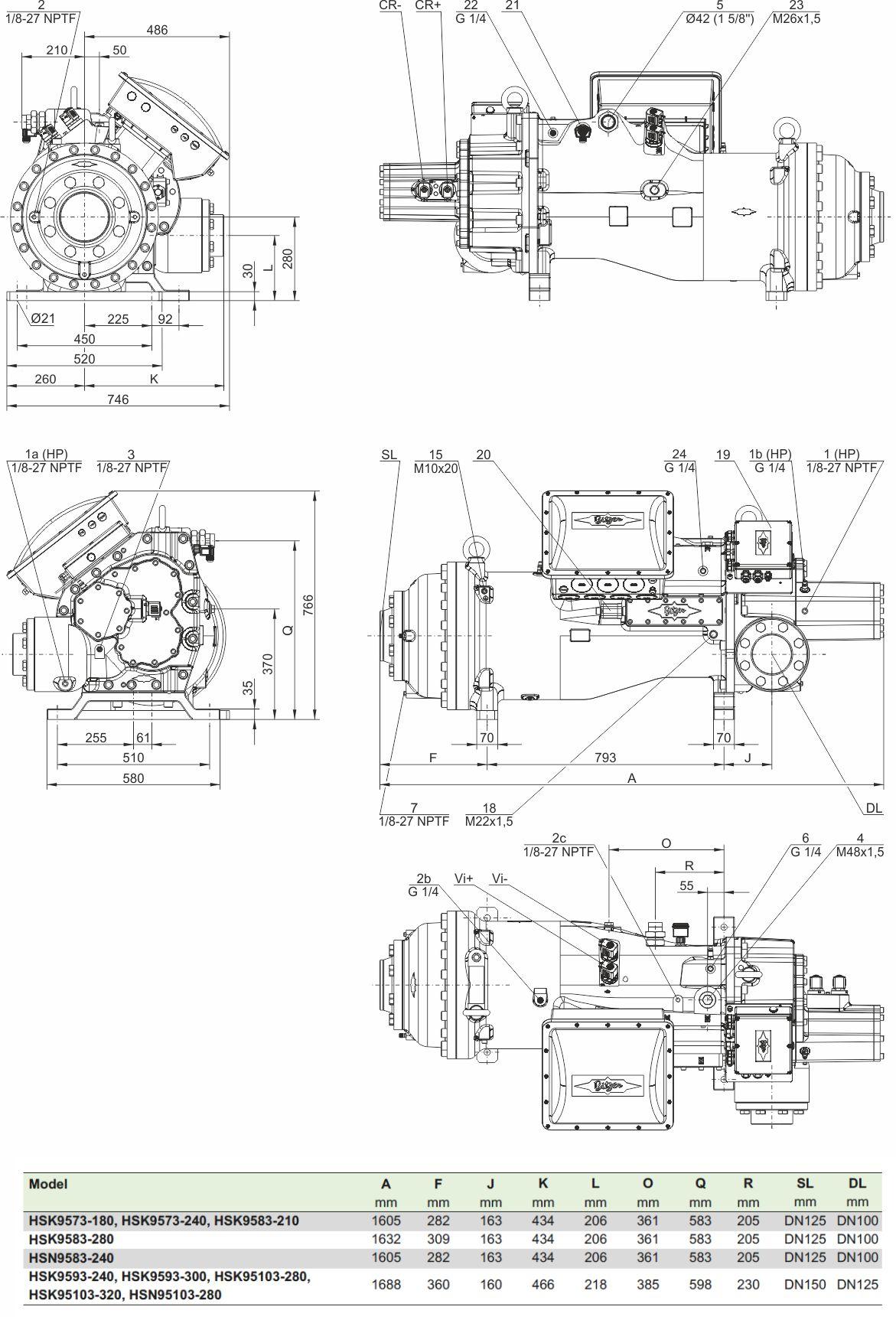
Компрессор винтовой HSK9573-240
Технические данные: Рабочий объём (2900 об/мин, 50 Гц): 700 м³/ч; Рабочий объём (3500 об/мин, 60 Гц): 845 м³/ч; Вес: 1010 кг; Максимальное давление (LP/HP): 19 / 32 бар; Адаптер/запорный клапан: D35L (опция), DN 40 (опция); Тип масла R22: B150SH, B100 (опция); Тип масла: R134a/R404A/R507A/R407A/R407F: BSE170; Тип масла R448A/R449A/R454C: BSE170. Данные двигателя: Версия двигателя: 1; Напряжение двигателя (подробнее по запросу): 380–415 В, D-3, 50 Гц; Максимальный рабочий ток: 410,0 А; Пусковой ток (при заблокированном роторе): 650,0 A Y / 2029,0 A D; Максимальная потребляемая мощность: 242,0 кВт; Датчик температуры нагнетаемого газа: Стандартный; Регулирование расхода масла: OLC-D1 и CM-SW-01; Класс корпуса: IP54; Запорный клапан: D105L — 4 1/8 дюйма; Соединение для впрыска масла: Вариант; Переходник для возврата масла: Вариант; Адаптер и запорный клапан для возврата масла: Вариант.
