



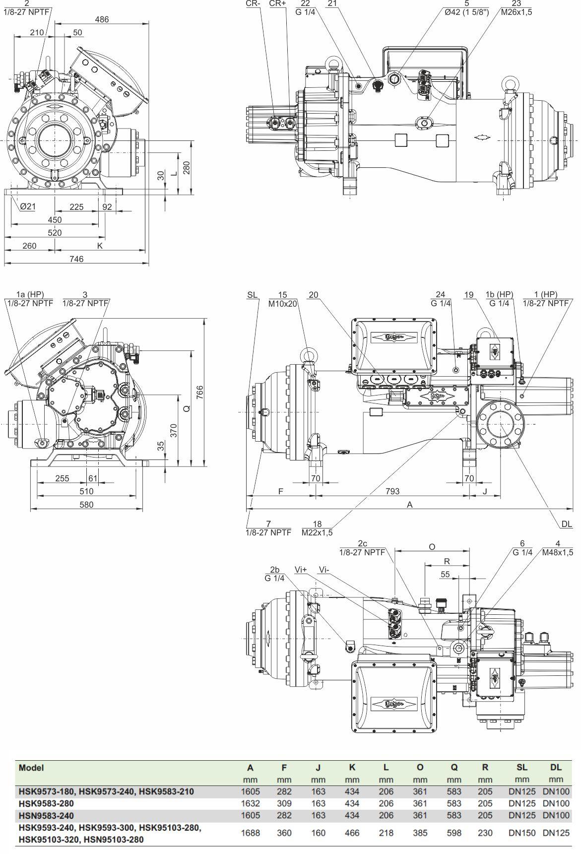
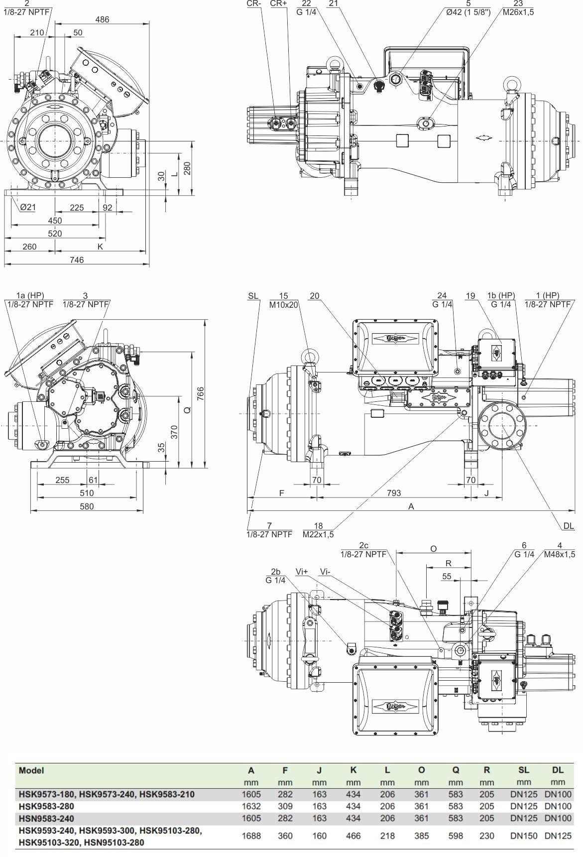
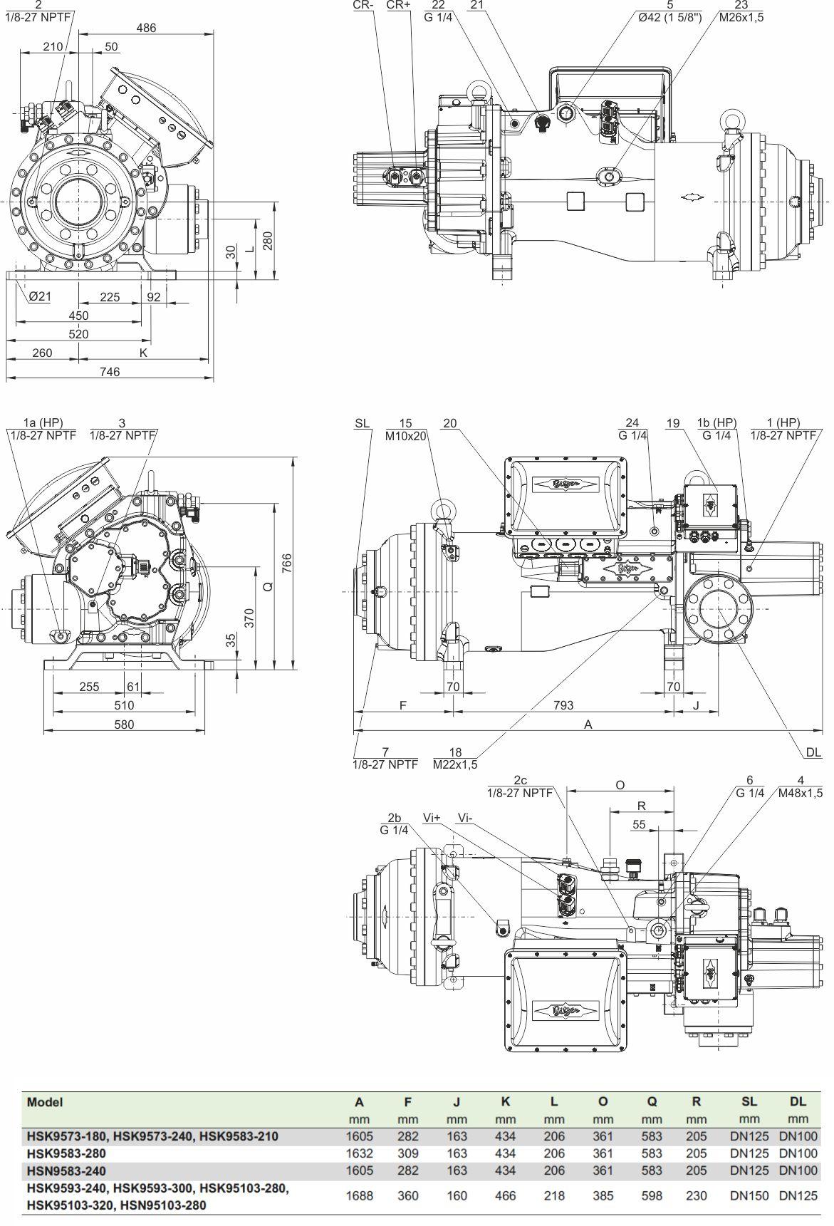
Компрессор винтовой HSK9583-280
Технические данные: Рабочий объём (2900 об/мин, 50 Гц): 805 м³/ч; Рабочий объём (3500 об/мин, 60 Гц): 972 м³/ч; Вес: 1030 кг.; Максимальное давление (LP/HP): 19 / 32 бар; Соединительный всасывающий трубопровод: DN 125; Соединительная разгрузочная линия: DN 100; Адаптер/запорный клапан для ECO: D35L (опция), DN 40 (опция); Подключение к линии ECO (компрессор): D42L (опция); Тип масла R22: B150SH, B100 (опция); Тип масла: R134a/R404A/R507A/R407A/R407F: BSE170; Тип масла R448A/R449A/R454C: BSE170. Данные двигателя: Версия двигателя:1; Напряжение двигателя (подробнее по запросу): 380–415 В, D-3, 50 Гц; Максимальный рабочий ток: 444,0 А; Пусковой ток (при заблокированном роторе): 805,0 A Y / 2520,0 A D; Максимальная потребляемая мощность: 263,0 кВт; Датчик температуры нагнетаемого газа: Стандартный; Комплект для впрыска масла: Стандартный; Регулирование расхода масла: OLC-D1 и CM-SW-01; Защита двигателя: CM-SW-01 (стандартный); Контроль производительности - бесконечный: 100–25 % (автоматическое управление); Бесступенчатое управление Vi: Стандартный; Класс корпуса: IP54. Доступные опции: Запорный клапан: D105L — 4 1/8 дюйма; Соединение для впрыска масла: Вариант; Переходник для возврата масла: Вариант; Адаптер и запорный клапан для возврата масла: Вариант; Нагреватель крышки клеммной коробки: Вариант.
