



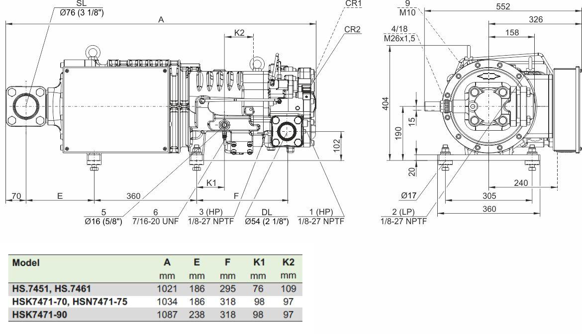
Компрессор винтовой HSN7471-75
Технические данные: Рабочий объём (2900 об/мин, 50 Гц): 250 м³/ч; Рабочий объём (3500 об/мин, 60 Гц): 302 м³/ч; Вес: 326 кг.; Макс. давление (LP/HP): 19 / 28 бар; Адаптер/запорный клапан для ECO: 22 мм — 7/8 дюйма (опция); Тип масла: R134a/R404A/R507A/R407A/R407F: BSE170; Тип масла R448A/R449A/R454C: BSE170. Данные двигателя: Версия двигателя: 1; Напряжение двигателя (подробнее по запросу): 380–415 В, ПВ-3, 50 Гц; Максимальный рабочий ток: 144,0 А; Пусковой ток (при заблокированном роторе): 350,0 A D / 585,0 A DD; Максимальная потребляемая мощность: 85,0 кВт; Регулирование расхода масла: SE-B3 (стандартный); Защита двигателя: SE-E1 (стандартный), SE-E3 (стандартный для 660–690 В); Контроль производительности: 100-75-50 % (стандарт); Запорный клапан: Вариант; Защита двигателя: SE-i1 (200–690 В); Уровень звуковой мощности (-35 °C / 40 °C): 87,5 дБ(А); Уровень звукового давления на расстоянии 1 м (-35 °C / 40 °C): 79,5 дБ(А).
