.jpg)
.jpg)


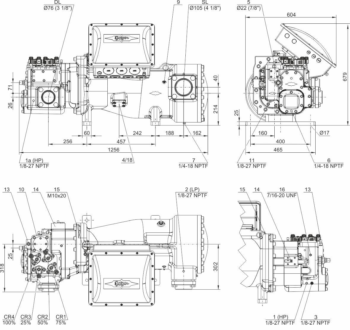
Компрессор винтовой HSN8571-125
Технические данные: Рабочий объём (2900 об/мин, 50 Гц): 410 м³/ч; Рабочий объём (3500 об/мин, 60 Гц): 495 м³/ч; Вес: 610 кг.; Макс. давление (LP/HP): 19 / 28 бар; Тип масла R22: B150SH, B100 (опция); Тип масла: R134a/R404A/R507A/R407A/R407F: BSE170; Тип масла R448A/R449A/R454C: BSE170. Данные двигателя: Версия двигателя: 1; Напряжение двигателя (подробнее по запросу): 380–415 В, ПВ-3, 50 Гц; Максимальный рабочий ток: 216,0 А; Пусковой ток (при заблокированном роторе): 612,0 A D / 943,0 A DD; Максимальная потребляемая мощность: 132,0 кВт; Регулирование расхода масла: SE-B3 (стандартный); Защита двигателя: SE-E1 + SE-B3 (стандарт), SE-E3 (стандарт для 660–690 В); Контроль производительности: 100-75-50 % или 100-50 % (стандарт); Всасывающий запорный клапан: Вариант; Запорный клапан: Вариант; Защита двигателя: SE-i1 (200–690 В).
