



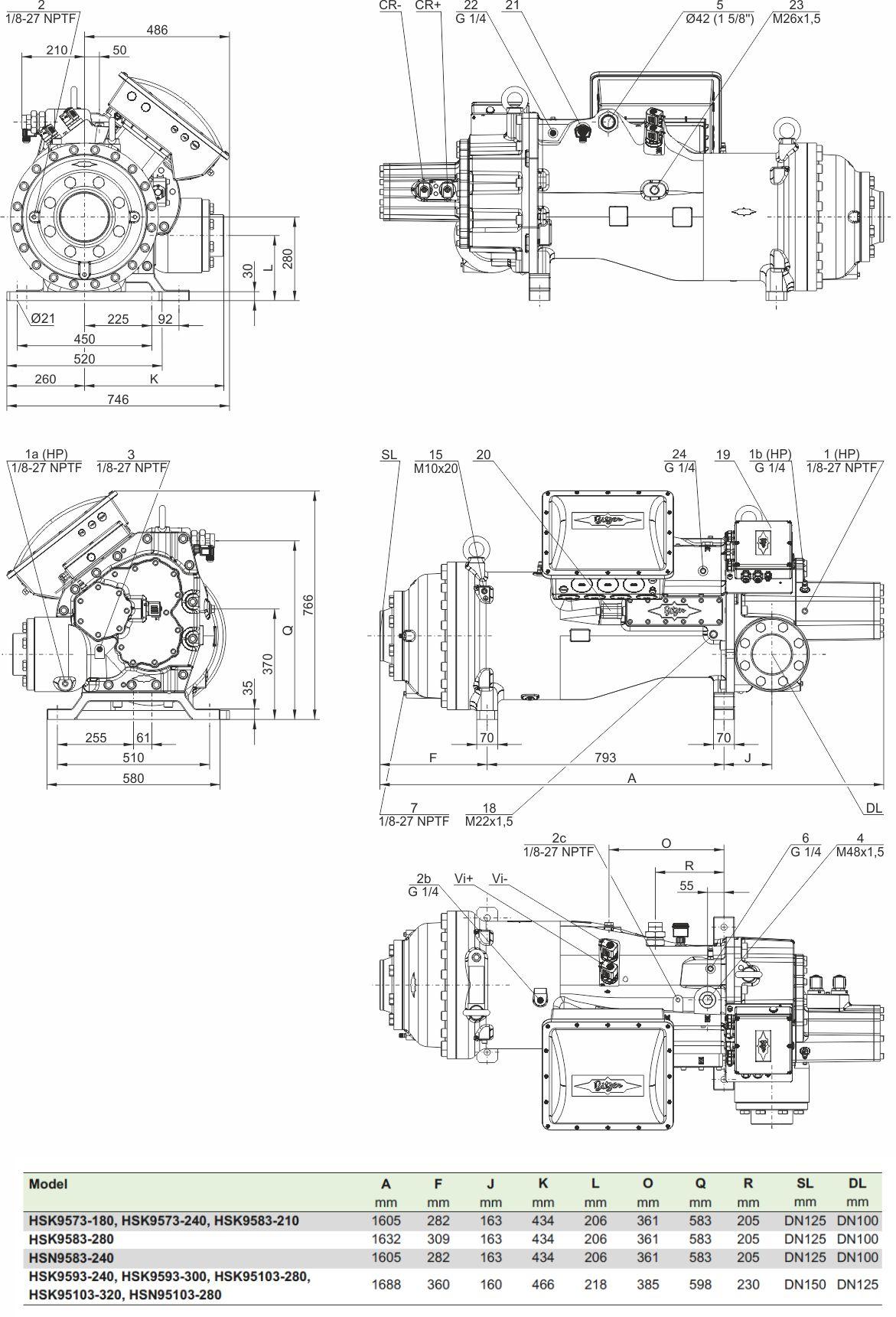
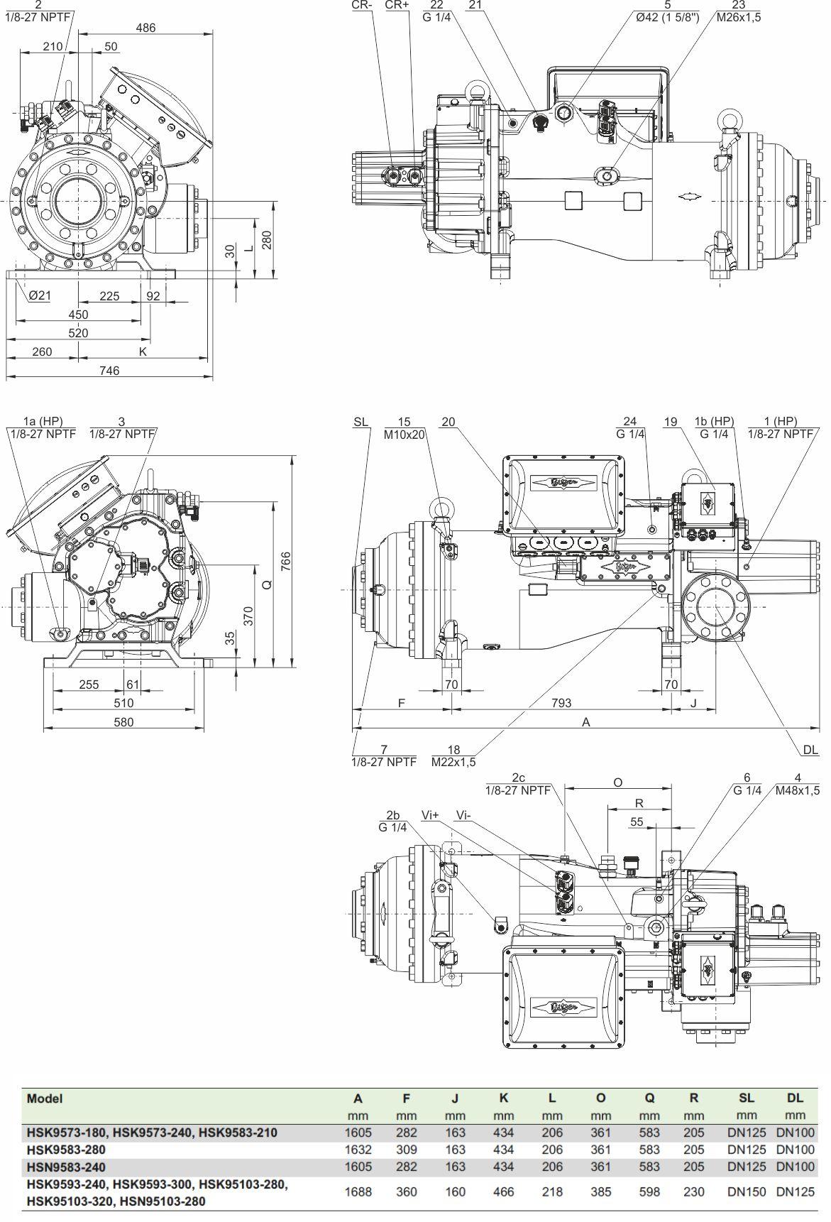
Компрессор винтовой HSN95103-280
Технические данные: Рабочий объём (2900 об/мин, 50 Гц): 1015 м³/ч; Рабочий объём (3500 об/мин, 60 Гц): 1225 м³/ч; Вес: 1100 кг.; Макс. давление (LP/HP): 19 / 32 бар; Тип масла R22: B150SH, B100 (опция); Тип масла: R134a/R404A/R507A/R407A/R407F: BSE170; Тип масла R448A/R449A/R454C: BSE170. Данные двигателя: Версия двигателя: 1; Напряжение двигателя (подробнее по запросу): 380–415 В, D-3, 50 Гц; Максимальный рабочий ток: 480,0 А; Пусковой ток (при заблокированном роторе): 805,0 A Y / 2520,0 A D; Максимальная потребляемая мощность: 290,0 кВт; Датчик температуры нагнетаемого газа: Стандартный; Комплект для впрыска масла: Стандартный; Защита двигателя: CM-SW-01 (стандартный); Запорный клапан: DN 125 (опция); Адаптер и запорный клапан для возврата масла: Вариант; Нагреватель крышки клеммной коробки: Вариант.
